|
|
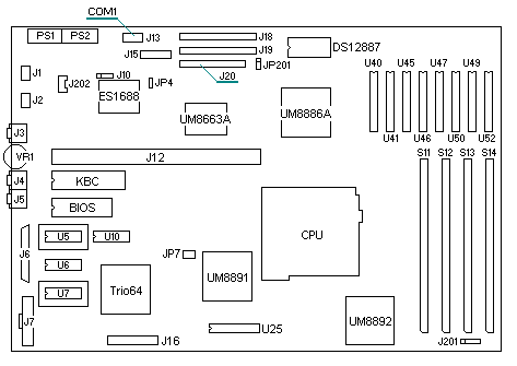
Compaq Presario 7100 Series


Processor Jumper Settings, 486 Boards W/8 MB
| Jumper | AMD 486 DX2/80 | AMD 486 DX2/80 PLUS | AMD 486 DX4/100 | AMD 486 DX4/100 PLUS | Cyrix 486DX2 V80 | Intel PODP (P24T) |
| JC1 | Open | 2-3 | Open | 2-3 | 1-2 | Open |
| JC2 | Open | 2-3 | Open | 2-3 | 1-2 | 2-3 |
| JC3 | Open | 2-3 | Open | 2-3 | 1-2 | Open |
| JC4 | Open | 2-3 | Open | 2-3 | 1-2 | 2-3 |
| JC5 | Open | 2-3 | Open | 2-3 | 1-2 | Open |
| JC6 | Open | 2-3 | Open | 2-3 | 1-2 | Open |
| JC7 | Open | 2-3 | Open | 2-3 | 1-2 | 2-3 |
| JC8 | Open | 2-3 | Open | Open | Open | Open |
| JC9 | 2-3 | 1-2 | 2-3 | 1-2 | 1-2 | 3-4 |
| JC10 | 1-2 | 2-3 | Open | 2-3 | Open | Open |
| JC11 | 2-3 | 2-3 | 2-3 | 2-3 | 2-3 | 1-2 |
| JC16 | 3-4 | 3-4 | 3-4 | 3-4 | 1-2 | 5-6, 7-8, 9-10 |
| JC26 | Open | Open | 1-2 | 1-2 | Open | 1-2 |
Configuration Jumper Settings, 486 boards W/8 MB (R02, R03)
| Jumper | Function | Pins | Function |
| JP7 | Manually clear RTC and CMOS | 1-2 2-3 | CMOS Discharged Normal |
Configuration Jumpers for 586 Models (R02, R03)
| Jumper | Function | Pins | Function |
| JP4 | Sound Subsystem | Open Closed | ES1688 Enabled ES1688 Disabled |
| JP7 | CPU core/bus select | 1-2 3-4 1-2,5-6 | 75/50 MHz 90/60 MHz 100/66.6 MHz |
| JP201 | Manually clear RTC and CMOS | 1-2 2-3 | CMOS Discharged Normal |
|
|